Dans ce document, vous allez voir comment créer des vues 2D, à partir d’une conception 3D créée avec la Fusion 360.
Cette mise en page peut être créée à partir d’un composant ou d’un ensemble de composants.
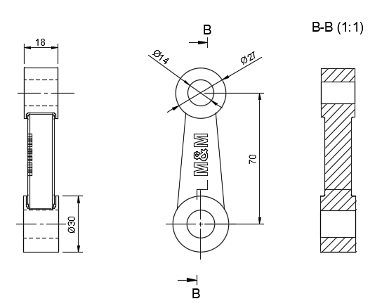
Dans cet exemple, le composant bielle est choisi pour la mise en page 2D.
- Sélectionnez le mod DESSIN / De la conception, afin d’activer les outils de dessin.
- Fusion, vous affiche une palette pour choisir les paramètres de la mise en page
Vous avez le choix :
- De créer une mise en page de tous les composants, des composants visibles ou de sélectionner un composant.
- Vous pouvez sélectionner un modèle de gabarit ou repartir de zéro
- Ensuite, il faut sélectionner la norme de dessin, ainsi que l’unité et le Format de la mise en page
- En acceptant les options de la mise en page, vous allez basculer vers le module 2D de Fusion, avec une feuille contenant le cadre et la cartouche par défaut.
- Vous êtes invité à placer la vue de base des composants sélectionnés, il est possible de sélectionner une autre vue dans le champ Orientation

– Vous pouvez sélectionner une
Orientation afin de créer les vues supplémentaires (Face, cotés, iso) à partir de la vue de base existante.
Ajouter des annotations au dessin
– Vous pouvez utiliser les outils d’annotations comme les lignes d’axe, les cotations, le texte et les repères ainsi que les symboles mécaniques proposés par Fusion 360.

– Vous pouvez créer une coupe à partir d’une vue existante et en dessinant une ligne de coupe passant par des points choisis.

– Vous pouvez utiliser uniquement l’outil
Cote pour ajouter tout type de cotations aux dessins, même si plusieurs outils de cotes sont disponibles pour chaque type de cotations.
– Vous pouvez également modifier la vue afin de changer son apparence, son affichage, son échelle ainsi que d’autres propriétés proposées.

– Vous pouvez facilement créer des vues de détailles d’une zone de dessin à une échelle donnée.
– Vous pouvez imprimer votre dessin ou exporter la mise en page en format PDF, DWG, DXF.
